Description
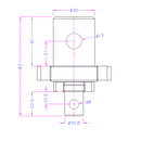
This Eye End Adapter, A158-35, allows for efficient conversion from a 5/8" female eye end on a grip to a 35 mm eye end connection on the Shimadzu 50 kN test stands and load cells.
Eye end adapters ensure a secure and reliable mounting of grips.
Compatible with Shimadzu 50 kN test stands.
Specifications
- 
Connection: 5/8" (15.8 mm) male eye end, 8 mm pin
 - Connection: 35 mm male eye end, 13 mm pin
 - Load Capacity: 20 kN
 - 
Material: Steel, nickel-plated
 
Included Items
- (1) Adapter
 - (2) Locking rings
 - (2) Clevis pins
 
Dimensions - mm

