Description
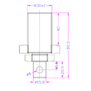
This Eye End Adapter will connect a grip or fixture with a 5/8" eye end to a M30x2 male thread connection.
Eye end adapters ensure a secure and reliable mounting of grips.
Specifications
- 
Connection: 5/8" (15.8 mm) male eye end, 8 mm pin
 - Connection: M30x2 male thread
 - Load Capacity: 20 kN
 - 
Material: Steel, nickel-plated
 
Included Items
- (1) Adapter
 - (2) Locking rings
 - (1) Clevis pins
 
Dimensions - mm

