Description
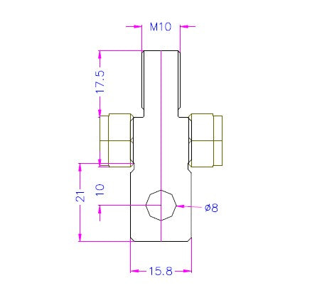
The Eye End Adapter (A158-M10) is designed to connect grips, fixtures, and accessories to force test stands and universal testing machines (UTMs). Featuring a 5/8 in. male eye end on one side and a M10x1.5 external thread on the other, it provides a secure mechanical interface between test frames and load-bearing attachments.
Eye end adapters are an essential component in modular test systems, allowing users to adapt different grips and fixtures to a wide range of test stands and UTMs while preserving rated load capacity and system integrity.
Specifications
-
Connection: 5/8" [15.8 mm] male eye end with 8 mm pin pin hole
- Connection: M10x1.5 External Thread
- Capacity: 10 kN
-
Material: Steel, Nickel Plated
Included Items
- (1) Adapter
- (1) Clevis pin
Dimensions - mm

