Description
The Eye End Adapter (A317-M12) is designed to connect grips, fixtures, and accessories to force test stands and universal testing machines (UTMs). Featuring a 1.25 in. male eye end on one side and a M12x1.75 external thread on the other, it provides a secure mechanical interface between test frames and load-bearing attachments.
This adapter is used in tensile and compression testing setups where quick, repeatable, and properly aligned connections are required. Manufactured from nickel-plated steel, it offers durability and corrosion resistance for repeated use in laboratory, production, and quality-control environments.
Eye end adapters are an essential component in modular test systems, allowing users to adapt different grips and fixtures to a wide range of test stands and UTMs while preserving rated load capacity and system integrity.
Specifications
-
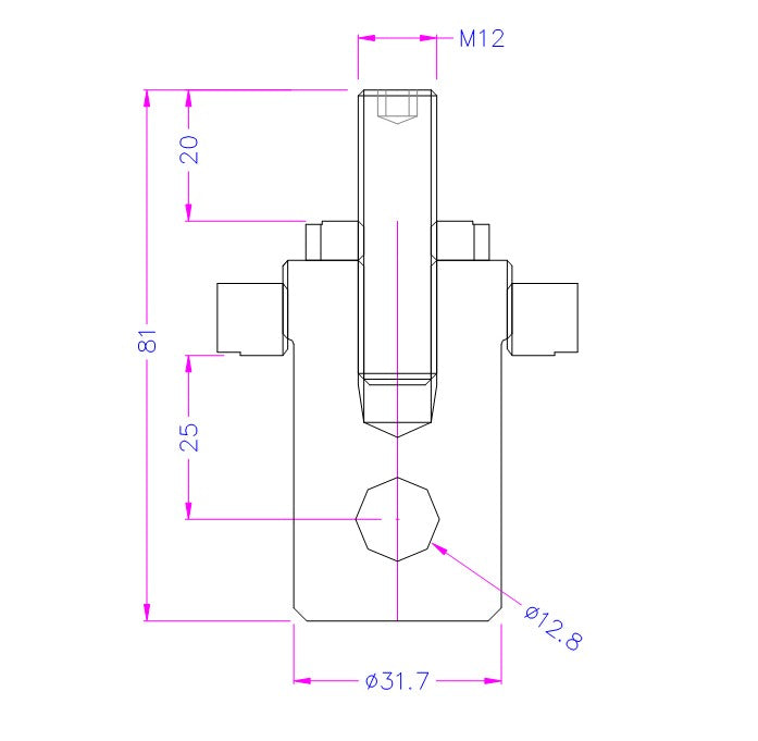
Connection: Male-Type D, 1.25 in. [31.7 mm] male eye end with 1/2 in. [12.8 mm] pin hole
- Connection: M12x1.75 External Thread
- Capacity: 50 kN
-
Material: Steel, Nickel Plated
Included Items
- (1) Adapter
- (1) Clevis pin
Dimensions - mm

