If the adapter you need isn't listed above, we offer a variety of additional adapter options.
Please call if you need help identifying the correct adapter, 312-666-0595.
Description
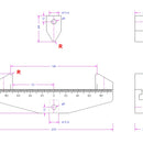
3 point bend fixture for flexural testing. This fixture is commonly used for measuring deflection, flexural modulus, flexural strength and flexural yield strength.
This grip is designed to mount on a standard 5/8" eye end. This connection type is commonly used on Lloyd Instruments, Chatillon, and Mark-10 equipment. We also sell these brands of test stands, load cells, and force gauges to use with our grips and fixtures. Adapters are available to accommodate other connection types and sizes for other brands of equipment.
Features and Specifications
- Span: Adjustable from 4 mm -170 mm
- 
Load capacity: 2,000 lbf (10 kN)
 
- 
Body: Steel
 
- Connection: 5/8" (15.9mm) female eye end
- Temperature range: 0 … +70°C
- Weight of nose support: (Upper anvil): 156 grams (6 oz)
Included Items
- (1) Base bar
- (2) Adjustable supports (anvils) that mount to the base bar
- (1) Nose support
Dimensions - mm

*R: Radiuses of 1 mm, 2 mm, 3 mm, 3.2 mm, 5 mm, and 10 mm are available.
Connection Dimensions - mm
 

 
     
                        
          
                       
     
                        
          
                       
 
 
     
     
    