Description
Fixture used for determining bulk crush strength testing catalyst particles 0.8 mm to 4.8 mm in diameter. Fixture used in testing to ASTM D7084.
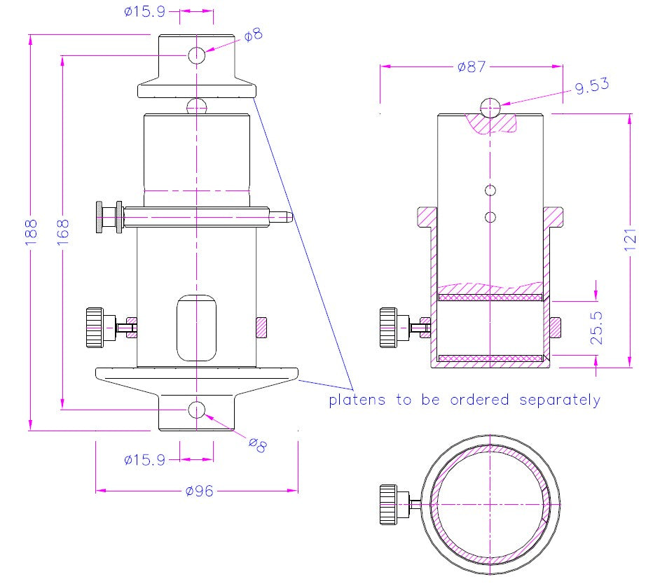
This bulk crush strength fixture is designed for determining the compressive strength of catalyst particles in accordance with ASTM D7084. The fixture supports testing of spherical and near-spherical catalyst particles ranging from 0.8 mm to 4.8 mm in diameter.
Compression plates are required for testing with this fixture, compression plates are sold separately. 56 mm and 96 mm compression plates will work well for the top and bottom.
This fixture is intended for use with force test stands or universal testing machines in laboratory and quality control environments where repeatable, standards-compliant results are required.
Specifications
- Force capacity: 50 kN
- Material: Stainless steel
- Conform to ASTM-D7084 fig.1
-
Temperature range 0°C - +70°C
Included Items
- Includes upper and lower fixture
- Incl. 1x ball Ø9.53mm in ball hole with R6.35mm
Compression plates are not included
Dimensions

