If the adapter you need isn't listed above, we offer a variety of additional adapter options.
Please call if you need help identifying the correct adapter, 312-666-0595.
These grips are ideal for cleanroom, medical, or pharmaceutical testing environments where contamination control is essential. The A4 (AISI 316) stainless steel construction provides a smooth, non-reactive surface that’s easy to sterilize and resistant to corrosion, ensuring reliable, hygienic performance in sterile or controlled settings.
Stainless steel tensile grips feature a side-action, vice-style clamping mechanism for securely holding specimens during tension testing. The T-handle design allows smooth and precise jaw adjustment for easy specimen insertion and removal.
Available with pyramid or wave-pattern jaws, these grips ensure reliable specimen holding across a range of materials.
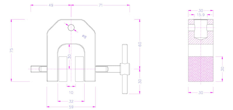
Features and Specifications
- Force capacity: 5 kN [1,000 lbF]
- Jaw opening: 0-10 mm
- Connection: 15.9 mm (5/8") female eye end - Adapters for other sizes
- Grip body: A4 AISI316
- Jaws (pyramid and wave): A4 AISI316
-
Weight:
- Grip with pyramid jaws: 1.68 lbs (0.75 kg)
- Grip with wave jaws: 1.63 lbs (0.74 kg)
- Temperature range: -70°C … +350°C
Included Items
| Model | Description |
| VG5k-316-P30 | (1) Stainless steel vice grip with set of 30 x 30 mm pyramid jaws |
| VG5k-316-W30 | (1) Stainless steel vice grip with set of 30 x 30 mm wave jaws |
Dimensions - mm

